Термошкаф настенный ip66 600x250x600 (ШxГxВ) серый (RAL 7035), SRT06-6025.60-GY в Санкт-Петербурге
! Ваша цена может стать ниже, зарегистрируйтесь или отправьте запрос
*Внимание! Точную стоимость товара уточняйте у менеджера.
Описание
Описание
Термошкаф уличный (климатический) предназначен для внешнего монтажа на открытых площадках, где оборудование подвергается высоким внешним воздействиям, либо в помещениях с высокой влажностью. Уличный навесной термошкаф представляет собой законченное решение, с системой контроля и поддержания необходимых температур и влажности 365 дней в году. Для размещения оборудования внутри термошкафа предусмотрена монтажная панель.
Корпус выполнен из листовой стали и имеет прочную сварную конструкцию, что говорит о высокой степени антивандальности всепогодного шкафа.
Характеристики и комплектация
Термошкаф уличный навесной серии SRT06 размерами 600x250x600 (ШхГхВ)
Тип – всепогодный
Диапазон рабочей температуры – от -40 до +35 градусов (по запросу исполнение УХЛ от -60 до +40)
Влажность воздуха – до 80%, при 20 градусах
Вентиляция – отсутствует.
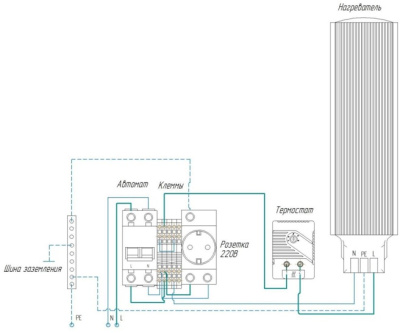
Обогрев - устанавливается нагревательный элемент мощностью 100-250 Вт (в зависимости от размера шкафа и требований), напряжение питания 220 В AC ±10%, 50 Гц;
Утепление - фольгированный пенофол толщиной 5мм (до 20мм по запросу)
Покрытие шкафа – порошковая краска, по каталогам RAL, стандартно 7035 (серая)
Конструкция - сварная
Монтажная плата (фальшпанель) для размещения оборудования
Кабельные вводы – расположены в основании шкафа и имеют герметичную конструкцию 2шт PG11 и 2шт PG16
Степень защиты – IP66 (полностью защищен от проникновения пыли и направленная струя воды под любым углом не окажет вредного воздействия)
Кронштейн для установки на столб (заказывается дополнительно).
Упаковка
Все уличные термошкафы имеют упаковку из картона, перетянутого усиливающими лентами и состоят из одного места для траспортировки.
Совет
В зависимости от размера уличного термошкафа и установленного в нем оборудования, выбирайте оптимальную мощность нагревательного элемента.
Термошкафы рекомендуется использовать для установки электротехнического оборудования.
На заказ!
Возможно изготовление термошкафов любых размеров по заданию Заказчика, а также любая модификация стандартной комплектации.
Задать вопрос из карточки товара
Самовывоз - сегодня
Доставка Санкт-Петербург и СПО: 10.12.2025
Доставка в Казахстан ТК: 10.12.2025
Передача в ТК: 10.12.2025
Изображения товара, включая цвет, могут отличаться от реального внешнего вида. Комплектация также может быть изменена производителем без предварительного уведомления. Данное описание не является публичной офертой.






